Slovensko, krajina bohatá na sladkovodné ekosystémy, ponúka jedinečné príležitosti pre chov rôznych druhov rýb. Medzi ne patrí aj pstruh potočný (Salmo trutta), ktorého chov v akváriu je však náročnejší ako pri iných bežných akvarijných rybách. Pstruh potočný je po kaprovi druhou najčastejšou rybou na slovenských stoloch a patrí medzi pôvodné druhy tunajších rýb. Jeho predkom bol pstruh morský, ktorý ostal v našej oblasti uväznený v dobe ľadovej. Za dlhý čas, ktorý odvtedy ubehol, sa adaptoval na naše sladkovodné podmienky.
Pstruh potočný: Charakteristika a nároky
Pstruh potočný, nazývaný aj pstruh riečny, patrí do čeľade lososovité. Okrem našich vôd žije aj v Nórsku, Írsku, Rusku, Indii, Severnej Afrike, Južnej Amerike, ba dokonca v Austrálii. Pstruhovi potočnému sa najlepšie žije v rýchlo tečúcej, výhradne dravým spôsobom života a jeho potravou sa najčastejšie stávajú larvy vodného hmyzu. Pstruh potočný je veľmi citlivý na znečistenie vody, a tak ho môžete vidieť iba vo vodách, ktoré sú naozaj čisté. Ideálnym domovom pstruha je horská alebo podhorská rieka s významným zatienením toku, ktorého hĺbka je v priemere okolo pol metra. Teplota vody nesmie prekročiť 20°C (jednoročné pstruhy majú toleranciu o stupeň až dva vyššiu a vice versa).
Staršieho mliečniaka je jednoduché určiť vďaka výrazným, klenutým čelustiam, ktoré sú samé o sebe viditeľne väčšie, ako u ikernačky. V prípade pochybností spojíme kolmicou oko a čeluste - pokiaľ čeluste siahajú za oko, je to mliečniak. Ak si už z nejakého dôvodu chceme privlastniť potočáka, vyberáme zásadne len staršie mliečniaky. Mlieč staršieho potočáka nad ~ 40 cm je potenciálne nižšej kvality, zároveň môže pôsobiť ako predátor voči vlastnému druhu.
Trenie pstruhov zvyčajne prebieha v októbri až decembri. Výteru predchádza ťah rýb do vyšších polôh, resp. do prítokov až vlásočníc. Typické neresisko pstruha je zvyčajne plytšie miesto potoka s konštantným, mierne rýchlym prúdom (ktorý zabraňuje vrstveniu sedimentov a zabezpečuje prísun kyslíka) a dnom s jemnejším štrkom. Spúšťačom samotného trenia býva výrazné jesenné ochladenie sprevádzané dažďami, keď teplota vody klesne na 6°C alebo menej a vlásočnice sa po lete zaplnia vodou. Hniezdo vytvára samica a samotný výter sa opakuje niekoľkokrát. Vývoj ikier, ktoré sú pomerne veľké (5 - 6 mm), prebieha počas zimy.
Zaužívanou predstavou je teritoriálne správanie potočáka. Naozaj, väčšie pstruhy sú teritoriálne, bojujú o najlepšie miesto (dokúsané plutvy nemusí mať výlučne ryba z rybochovu, môžu byť aj výsledkom rivality) a po jeho obsadení ho dlhšiu dobu neopúšťajú. Samozrejmou výnimkou je obdobie neresu a zmena podmienok (letný stav vody, nedostatok potravy). Ak sa potočák ocitne v jazere, naberie striebornú farbu a môže narásť do extrémnych rozmerov. Naopak, ak sa jazerák ocitne v rieke, stane sa z neho opäť potočák. Samozrejme, tohto veku sa dožije len niekoľko kusov v rámci populácie - napríklad veku 4 rokov sa dožíva už len okolo 12% populácie jednoročkov. Každý teplotný stupeň naviac znamená posun populácie pstruha do vyšších, chladnejších polôh.

Technické požiadavky na chov pstruha potočného v akváriu
Chov pstruhov v akváriu je možný, avšak vyžaduje si špecifické podmienky a technické vybavenie. Pstruh potočný (Salmo trutta) je na rozdiel od pstruha dúhového citlivejší na teplotu vody. Zatiaľ čo pstruh dúhový znesie teploty okolo 20-22 °C, Salmo trutta preferuje teploty do cca 18 °C, optimálne do 15 °C. V opačnom prípade v krátkej dobe (hodiny-dni) hynie.
Na úspešný chov pstruha potočného v akváriu je potrebné zabezpečiť:
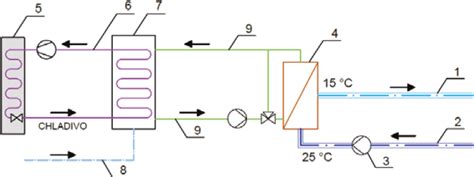
- Chladenie: Výkonný chladič na udržanie nízkej teploty vody (ideálne 12-15 °C). Cena výkonného chladiča sa pohybuje od 10 tisíc korún smerom nahor.
- Prúdenie: Čerpadlá na vytvorenie silného prúdenia vody, ktoré simuluje prirodzené prostredie pstruhov.
- Filtrácia: Veľmi dobrá filtrácia na udržanie krištáľovo čistej vody.
- Veľkosť akvária: Minimálne 200 litrov pre menšie jedince (10-15 cm).
- Kvalita vody: Polotvrdá, neutrálna až slabo zásaditá voda.
- Krmivo: Živá potrava alebo špeciálne granule pre pstruhy.
V praxi sa dá chladenie riešiť aj alternatívnymi spôsobmi, napríklad použitím starej chladničky. Jeden z chovateľov si na inzerát kúpil malú študentskú chladničku s objemom cca 80 litrov. Z boku prevŕtal dve diery na hadice, vnútri hadicu stočil a umiestnil čerpadlo za chladničku, ktoré nasávalo vodu z chladničky do akvária. Regulácia prietoku sa dala nastaviť kohútikom a teplota termostatom chladničky. Aj keď sa pstruhy v takejto nádrži samé nevytierali, tento spôsob chladenia sa osvedčil a potvrdil, že chladenie nemusí byť najdrahšou časťou chovnej nádrže.

Pstruh dúhový vs. Pstruh potočný: Rozdiely a podobnosti
Pstruh dúhový (Oncorhynchus mykiss) nie je, na rozdiel od pstruha potočného, pôvodným druhom. Bol k nám privezený na konci 19. storočia a je rozšírený po celom svete, s výnimkou Antarktídy. Pstruh dúhový žije v tečúcich aj v stojatých vodách a obľubuje pobyt v čistých a teplých vodách. Živí sa hmyzom, červami a slimákmi, neskôr menšími rybkami a vo veľkej miere aj planktónom.
Zatiaľ čo pstruh potočný patrí do rodu Salmo, pstruh dúhový patrí k rodu Oncorhynchus. Pstruh dúhový je vo všeobecnosti odolnejší ako pstruh potočný, znesie oveľa vyššie teploty, nižšiu hladinu rozpusteného kyslíka vo vode, alebo vodné zákaly. Je veľmi obľúbenou športovou a chovnou rybou, rýchlo rastie a môže sa prikrmovať umelými granulami.
Pstruh dúhový sa vzhľadom dosť podobá pstruhu potočnému, odlišuje sa ale výrazným fialovo dúhovým pásom po bokoch tela, ktorý sa tiahne v oblasti bočnej čiary od hlavy až ku chvostu. Telo má hustejšie bodkované čiernymi škvrnami a tiež dorastá do väčších rozmerov a hmotností ako pstruh potočný. Medzi chvostovou a chrbtovou plutvou nechýba tuková plutvička.
Pstruhy dúhové nie sú stanovištné ryby a často migrujú. Ale aj tu je výnimka, veľké jedince často majú svoje stanovište na riekach v okolí rôznych prekážok. Na nádržiach ryby migrujú v húfoch za potravou. Pstruh dúhový nie je taký náročný na teplotu a okysličenosť vody ako pstruh potočný. Teplota na povrchu hladiny môže dosiahnuť aj 26 až 28 °C. Pstruhy dúhové sa môžu chovať aj v mori, kde je ich rast ešte rýchlejší.
Pstruhy dúhové majú veľmi podobné potravné spektrum ako pstruhy potočné. Plôdik sa spočiatku živí dafniami, nálevnikmi, ale veľmi rýchlo prechádza na hrubšiu potravu v podobe hmyzu, kôrovcov a ešte v priebehu prvého roka života na vodné slimáky a rybky. Na jazerách tvoria hlavnú zložku ich potravy pakomáre a komáre, ktoré sa tam hojne vyskytujú. Taktiež lovia rôzne nymfy, podenky, typule, larvy pošvatiek a potočníkov. Vo vodách kde sa vyskytuje veľa plôdiku kaprových rýb, si pstruhy rýchlo zvyknú na spestrenie svojho jedálneho lístka touto výživnou potravou. Nie je nič neobvyklé nájsť u 30 cm pstruha dúhového plotičky o veľkosti 10 cm. Pstruh dúhový je v tejto veľkosti dravý ako šťuka, a hejno týchto malých rybiek pri love často ženie až ku brehu do plytčín, kde ich nenásytne loví.

Chov pstruha dúhového v rybníku
Chov pstruha dúhového v rybníku je populárna aktivita, ktorá môže byť zaujímavá pre rybárov aj pre tých, ktorí hľadajú alternatívne zdroje potravy. Avšak, úspešný chov si vyžaduje dodržiavanie určitých zásad a zabezpečenie vhodných podmienok.
Podmienky pre chov pstruha dúhového
Limitujúcimi faktormi pre chov pstruhov sú teplota vody a zvýšený výskyt rias. Mimo horských oblastí možno v letných mesiacoch namerať v rybníkoch teplotu od 25 do 28 °C. Obsah kyslíka v takto teplej vode nerovnomerne a prudko klesá, čo je často príčinou úhynu pstruhových rýb nielen v záhradných rybníkoch. Potreby pstruhov na kyslík sú oveľa vyššie ako u kaprov alebo dokonca jeseterov.
Tu je niekoľko kľúčových aspektov, ktoré treba zvážiť:
- Kvalita vody: Pstruh dúhový potrebuje čistú vodu s vysokým obsahom kyslíka (9-11 mg/l). Kritická hranica je 4-6 mg/l. V domácich podmienkach je potrebné neustále vzduchovať vodu pomocou vzduchovacích kompresorov.
- Teplota vody: Ideálna teplota vody pre chov pstruha dúhového je do 18 °C.
- Filtrácia: Pri zvýšenom množstve rýb je potrebná kvalitná filtrácia s vysokým biologickým výkonom. Výborným riešením je aj použitie bubnového filtra na čistenie vody.
- Krmivo: Ryby na farme žijú v prirodzenom prostredí, v čistej vode a sú kŕmené iba kvalitnými produktami krmivom BioMar. Krmivo pre pstruhy, ktoré je určené na rýchly rast dravých rýb, zaťažuje filtračný systém oveľa viac ako krmivo pre bežné druhy rýb.
Typy rybníkov pre chov pstruha dúhového
Na rozdiel od bežných jazierok bude tvar pstruhového jazierka úzky a dlhý. Nie je nutné mať obdĺžnikový pôdorys, dlhé strany môžu byť zvlnené, ale pre dobrý prietok vody odporúčame maximálnu vzdialenosť približne 2 metre. Úzky tvar minimalizuje slnečné žiarenie na hladine a umožňuje rýchle prúdenie vody cez celý objem jazierka.
Existujú dva základné typy rybníkov vhodné pre chov pstruha dúhového:
- Pretočné rybníky: Sú napojené na potok alebo rieku s celoročným prísunom kvalitnej a čistej vody. Ak je zdroj vody dostatočný na počet chovaných pstruhov, tieto jazierka môžu dobre fungovať aj bez filtrácie. Odpadajú aj problémy s vláknitými riasami, ktoré nemajú dobré podmienky na rast v chladnej, neustále sa meniacej vode.
- Recirkulačné rybníky: Majú uzavretý systém, kde sa voda filtruje a recirkuluje. Tento typ rybníka vyžaduje kvalitný filtračný systém na udržanie čistoty vody.
Výhody a nevýhody chovu pstruha dúhového v rybníku
Chov pstruha dúhového má svoje výhody aj nevýhody:
- Výhody: Zdroj kvalitného mäsa, možnosť kontroly kvality chovu, zaujímavá aktivita.
- Nevýhody: Náročnosť na kvalitu vody, riziko ochorení rýb, potreba investícií do technológie a krmiva.
125 Gallon Trout Aquarium
Ochorenia rýb a prevencia
Väčšina ochorení rýb je spôsobená mikroorganizmami. Vredová choroba je primárne infekčná choroba postihujúca chované pstruhy. S cieľom prekonať všetky uvedené ťažkosti využívajú mnohí prevádzkovatelia akvakultúrnych fariem veľké množstvá liekov a antibiotík, ktoré im umožňujú vychovať dostatok veľkých jedincov v obmedzenom priestore.
Dezinfekčné prostriedky sú alternatívou k antibiotikám. Dezinfekčné prostriedky, riedené vo vode, účinne regulujú rast mikroorganizmov. Obtiažnosť tohto prístupu spočíva v nájdení správneho dezinfekčného prostriedku. Mnohé z produktov dostupných na trhu, napríklad kvartérne amóniové zlúčeniny, chlór atď., sú vysoko toxické pre ryby, ak sa aplikujú v účinnej koncentrácii.
Tipy pre úspešný chov pstruha dúhového:
- Pravidelne monitorujte kvalitu vody a v prípade potreby ju upravujte.
- Používajte kvalitné krmivo pre pstruhy.
- Dbajte na prevenciu ochorení rýb.
- Zabezpečte dostatočný prísun kyslíka do vody.
- Chráňte rybník pred predátormi.
Sladkovodné ryby Slovenska
Slovenské vody sú domovom pre rôzne druhy rýb, medzi ktoré patria aj: Sumec západný, Kapor obyčajný, Šťuka severná, Hlavátka podunajská, Vyza veľká, Amur biely, Lipeň tymianový, Lieň, Mieň sladkovodný, Mrena severná, Pstruh potočný, Pstruh dúhový, Sivoň americký, Úhor európsky, Zubáč. Je dôležité si uvedomiť, že populácie mnohých druhov rýb na Slovensku sú ohrozené v dôsledku znečistenia vody, straty biotopov a nadmerného rybolovu.
Pre zachovanie početných stavov rýb je potrebné:
- Obnova prirodzených biotopov rýb.
- Regulácia rybolovu a ochrana ohrozených druhov.
- Podpora environmentálneho vzdelávania a osvety.
Sladkovodné ryby tešia svojich majiteľov krásnym sfarbením a istou radosťou zo života, sú teda nespornou okrasou akvárií. Vo všeobecnosti rozlišujeme slanovodné a sladkovodné ryby.
